

— 自主產品 —
咨詢電話 15301310116 手機:15301310116
微信:15301310116
郵箱:sales@madison-tech.com
地址:北京市海淀區中關村軟件園11號樓一層
對應插針直徑1.0mm,導線直徑范圍0.25~1.0mm,引腳材料鍍金銅合金,PEEK外殼材質,適用溫度范圍-50~230℃,極限真空優于1E-10mbar。
產品詳情
9C真空端母頭連接器適配9C饋通,對應插針直徑1.0mm,導線直徑范圍0.25~1.0mm,引腳材料鍍金銅合金,PEEK外殼材質,適用溫度范圍-50~230℃,極限真空優于1E-10mbar。真空端公頭連接器可與母頭連接器配合使用構成中繼器,以延長真空線纜長度。同時可提供大氣端母頭連接器及插針套裝。
產品參數
9C真空端母頭連接器規格參數 | |
對應插針直徑 ? | 1.0 mm |
導線直徑 ? | 0.25 mm~1.0 mm |
引腳材料 | 鍍金銅合金 |
材質 | PEEK |
溫度范圍 | -50℃~230℃ |
極限真空 | <1×10-10 mbar |
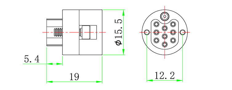
產品尺寸

9C連接器型號 | |||||
連接器類型 | 連接器型號 | 插針型號 | 束線器型號 | 【套裝】 插針+連接器型號 | 【套裝】 插針+連接器+束線器型號 |
真空端母頭連接器 | MT102-9CFS- PK | MT104-DBPF- 10 | MT102-9C-VAC- SR | MT-9CFS-PK-SET | MT-9CFS-PK-SR |
真空端公頭連接器 | MT102-9CMS- PK | MT104-DBPM- 10 | MT102-9C-VAC- SR | MT-9CMS-PK- SET | MT-9CMS-PK-SR |
大氣端母頭連接器 | / | / | MT102-9C-AIR- SR | MT-9CFS-AIR | MT-9CFS-SR |
大氣端公頭連接器 | / | / | MT102-9C-AIR- SR | MT-9CMS-AIR | MT-9CMS-SR |
備注:1. 連接器不能單獨使用。需要選用套裝。 2. 母頭連接器用于與饋通連接。 | |||||